MTA Studio:從測量測試執行到數據價值洞察,全程賦能
2025-08-20
平臺概覽:集成化設計,簡化復雜流程
MTA Studio全稱Measure & Test & Analyze Studio,是面向電力電子測試測量應用的綜合性分析軟件平臺。與傳統的單一功能軟件不同,MTA Studio將操作設備、分析文件、執行測試、工程分析等核心功能集成在同一平臺內,實現"一個平臺,多種應用"。
圖1 MTA啟動加載
圖2 MTA主頁面
操作設備功能:遠程操控,化繁為簡
1、設備兼容性
MTA軟件支持致遠儀器全線產品,通過多臺設備的統一納管與操作,構建高效的測試工作臺。
功率分析儀、功率計、示波記錄儀、示波器等產品,可通過以太網便捷連接。
PSA系列電源提供以太網、串口、GPIB三種接口選擇,適應不同連接需求。
2、簡化的連接流程
軟件提供直觀、簡便的連接體驗,減少用戶配置時間。根據實際儀器產品,選擇對應設備高效實現軟硬件連接,不同儀器產品連接設置有所不同。
啟動連接:通過點擊主頁面"操作設備",或在左側欄點擊"新建設備",打開統一的設備選擇向導(圖3)。
圖3 新建設備向導
功率分析儀連接:選擇功率分析儀后,在其設置界面(圖4)中,需設置IP地址并確認單機或并機(主機、從機)模式,完成連接。
圖4 功率分析儀連接設置界面
示波器自動識別:考慮示波器產品型號豐富的特點,軟件增加了"自動識別"功能(圖5),可自動匹配連接的設備型號,簡化連接操作。
圖5 示波器連接設置界面
PSA系列電源連接:如圖6所示,支持以太網、串口、GPIB三種連接方式,不同方式下參數設置各異,需要用戶根據自身情況進行選擇匹配。
圖6 PSA電源連接設置界面
3、遠程操控功能
設備連接成功后,可通過MTA軟件完成設備操控與數據監控。以功率計產品為例,圖7展示了其遠程操作界面。通過此界面,工程師可以:
進行遠程參數設置
實現實時操作與監控
完成數據讀取與分析
便捷地保存測試數據
圖7 功率計連接測試
分析文件功能:數據資產,二次利用
1、格式兼容,支持離線二次分析
MTA軟件具有離線文件分析功能,支持**.zdld、.fld、.pad、.wfm等主流格式文件的離線二次分析**,過往積累的測試數據都可以重新審視和深度挖掘。
2、操作流程
點擊主頁面"文件分析",或在開始菜單中點擊"導入文件",可以打開加載文件窗口。選擇加載文件,加載后可對文件中的信號源信息進行編輯修改,以便更好地進行數據分析,如圖8、圖9所示。
圖8 文件加載界面
圖9 文件加載界面
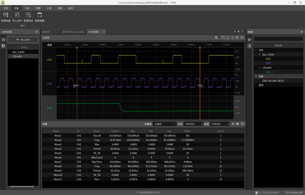
3、統一視圖,提升分析效率
離線文件加載完成后,可以在軟件中對波形信號進行查看、縮放、測量等操作,不同儀器產品支持的操作各有不同。軟件支持不同格式文件顯示在同一視圖界面,如圖10所示,大大提升數據分析的靈活性和效率。
圖10 離線數據分析
執行測試功能:專業應用,標準合規
1、豐富的專業測試庫
MTA軟件具有豐富的擴展軟件分析功能,通過點擊主頁面"執行測試",或在開始菜單中點擊"新建測試",可以打開執行測試窗口。在窗口中可以選擇Flicker、IEC61000-3-12、IEC61000-3-2、電壓穿越、太陽能光伏陣列仿真等功能,如圖11所示,此部分功能需要license激活使用。
圖11 執行測試功能
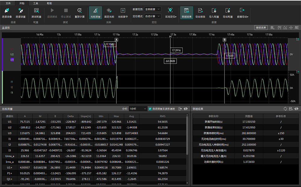
2、標準化測試流程示例
以電壓穿越測試為例,點擊對應圖標,打開分析界面。在執行測試分析之前,可以通過必要的參數配置,確保測試結果的有效性,如圖12所示。
圖12 電壓穿越測試配置
完成參數配置后,可以連接儀器,進行在線實時測試,也可以加載分析文件,實現離線數據分析,結果界面如圖13所示。
圖13 電壓穿越測試結果
總結
在選擇測量儀器設備時,除了關注儀器本身的功能與性能,也需重視上位機軟件及二次開發應用的完善程度,這是適應智能化發展趨勢的關鍵。
致遠儀器不僅能提供優質的硬件產品,更配備MTA Studio等配套軟件平臺。通過軟硬件一體化的解決方案,為用戶創造的不僅是產品價值,更是整體的應用價值和服務體驗。
